科创中国
问题分诊室
具身智能与智慧医疗融合创新产业
高性能装备制造产业
智能机器人全产业链产业
中医药产业
人工智能产业
新一代信息技术产业
作物产业
量子科技与先进制造产业
海洋装备产业
煤炭开采及煤化工产业
特殊钢产业
节能环保产业
低空经济产业
光电产业
汽车产业
新能源产业
新材料产业
“以竹代塑”
成果发布厅
新型电力系统
化学领域
现代纺织
低空经济
信息通信
智慧公路
煤炭开采及煤化工
中医药
智能机器人全产业链
海洋装备
新一代信息技术
量子科技与先进制造
人工智能
高性能装备制造
具身智能与智慧医疗融合创新
作物
科创地方
科创北京
科创天津
科创内蒙古
科创辽宁
科创江苏
科创广西
科创广东
科创重庆
科创宁夏
科创河北
科创山东
科创河南
科创福建
科创湖南
科创黑龙江
科创湖北
科创浙江
科创山西
科创资讯
科创头条
科协活动
通知公告
科技政策
技术经理人
科技服务团
资源中心
项目库
问题库
案例库
开源库
学术资源
会议展览
品牌栏目
院士开讲
解码新质生产力
金融服务云课堂
企创云课堂
有问题想咨询
有成果想转化
我的交易
我的会议
我报名的路演会议
我的资讯
我的消息
我的动态
我的需求
我的成果
我的
个人资料编辑
退出登录
登录/注册
科创中国
需求发布
成果发布
科创案例库
揭榜挂帅
技术经理人
会议展览
科创联合体
科技服务团
科创资讯
科技政策
院士开讲
学术资源
城市站点
协作站点
搜索
问题库
项目库
开源库
English
我的交易
我的会议
我报名的路演会议
我的资讯
我的消息
我的动态
我的需求
我的成果
我的
个人资料编辑
退出登录
登录/注册
组织入驻
隐藏工作区
全国
在线展厅
切换展厅
全国
北京市
天津市
河北省
山西省
内蒙古
辽宁省
吉林省
黑龙江省
上海市
江苏省
浙江省
安徽省
福建省
江西省
山东省
河南省
湖北省
湖南省
广东省
广西
海南省
重庆市
四川省
贵州省
云南省
西藏
陕西省
甘肃省
青海省
宁夏
新疆
新疆兵团
路演活动
科技成果
参观
人数
0
0
0
0
0
0
0
点赞
人数
0
0
0
0
0
0
0
技术领域
全部
新兴行业
|
新基建
|
电子信息
|
高端产业
|
生物医药
|
石化与新材料
|
智能机械与光机电一体化
|
节能环保
|
新能源
|
现代农业
|
高端技术服务业
|
农林牧副渔
|
城建规划
|
文化创意
|
矿山工程
|
冶金工程
|
企业管理
|
知识产权
|
智库咨询
|
旅游休闲娱乐
|
企业发展服务
|
电子商务
|
纺织
|
其他
|
更多
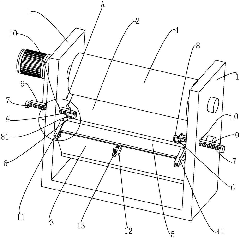
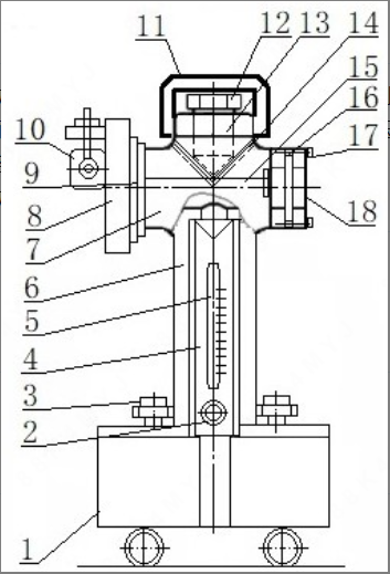
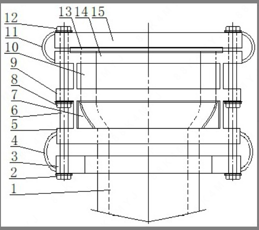
一种液碱提浓生产工艺中稳压装置
石河子天域新实化工有限公司
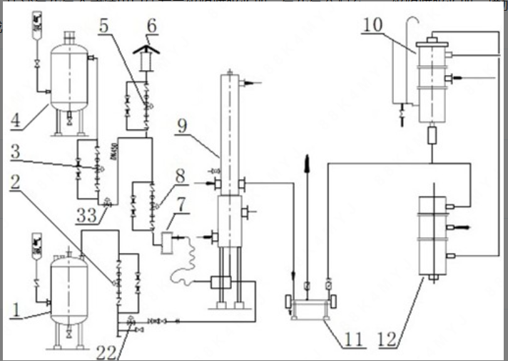
一种氯碱工艺中氯化氢合成生产智能控制装置
石河子天域新实化工有限公司
一种离子膜烧碱提浓最终浓缩器生产装置
石河子天域新实化工有限公司
聚氯乙烯生产中质检标液辅助溶液的配制装置
石河子天域新实化工有限公司
一种液碱提浓蒸发系统增湿降温装置
石河子天域新实化工有限公司
一种水资源重复利用循环冷却系统
石河子天域新实化工有限公司
基于振动声学的电力变压器状态诊断技术及系统应用
宁波益加科创服务有限公司
一种盐酸合成炉生产防爆装置
石河子天域新实化工有限公司
一种低汞触媒氯乙烯生产环保系统废酸解吸分离装置
石河子天域新实化工有限公司
CAP1400核级阀门用1E级直流电动装置
宁波益加科创服务有限公司
矿井交流提升机大功率 鼠笼电机H桥三电平变频调速系统
宁波益加科创服务有限公司
大功率可调桨推进系统的关键技术研发
宁波益加科创服务有限公司
功能性胃肠病重叠证综合治疗新策略及开发
宁波益加科创服务有限公司
重大神经精神疾病的药物新靶标研究
宁波益加科创服务有限公司
儿童肾损伤早期诊断和预后评估体系的建立及推广应用
宁波益加科创服务有限公司
高功率电子器件芯片保护胶的制备
惠创科技(台州)有限公司
血清MicroRNA在隐匿型心肌缺血临床检验诊断中的应用研究
宁波益加科创服务有限公司
重大国际活动的口岸公共卫生风险防控关键技术及应用
宁波益加科创服务有限公司
一种不干胶生产用涂硅装置
赤壁凯利隆科技有限公司
轻质高强一体机电脑支架制造关键技术应用及产业化
宁波益加科创服务有限公司
首页
上一页
3244
3245
3246
3247
3248
3249
3250
下一页
尾页
共15998页 转到
页