科创中国
问题分诊室
具身智能与智慧医疗融合创新产业
高性能装备制造产业
智能机器人全产业链产业
中医药产业
人工智能产业
新一代信息技术产业
作物产业
量子科技与先进制造产业
海洋装备产业
煤炭开采及煤化工产业
特殊钢产业
节能环保产业
低空经济产业
光电产业
汽车产业
新能源产业
新材料产业
“以竹代塑”
成果发布厅
新型电力系统
化学领域
现代纺织
低空经济
信息通信
智慧公路
煤炭开采及煤化工
中医药
智能机器人全产业链
海洋装备
新一代信息技术
量子科技与先进制造
人工智能
高性能装备制造
具身智能与智慧医疗融合创新
作物
科创地方
科创北京
科创天津
科创内蒙古
科创辽宁
科创河北
科创湖南
科创宁夏
科创广东
科创江苏
科创广西
科创重庆
科创山东
科创河南
科创福建
科创黑龙江
科创湖北
科创浙江
科创山西
科创资讯
科创头条
科协活动
通知公告
科技政策
技术经理人
科技服务团
资源中心
项目库
问题库
案例库
开源库
会议展览
品牌栏目
院士开讲
解码新质生产力
金融服务云课堂
企创云课堂
有问题想咨询
有成果想转化
我的交易
我的会议
我报名的路演会议
我的资讯
我的消息
我的动态
我的需求
我的成果
我的
个人资料编辑
退出登录
登录/注册
科创中国
需求发布
成果发布
科创案例库
揭榜挂帅
技术经理人
会议展览
科创联合体
科技服务团
科创资讯
科技政策
院士开讲
学术资源
城市站点
协作站点
搜索
问题库
项目库
开源库
English
我的交易
我的会议
我报名的路演会议
我的资讯
我的消息
我的动态
我的需求
我的成果
我的
个人资料编辑
退出登录
登录/注册
组织入驻
隐藏工作区
全国
在线展厅
切换展厅
全国
北京市
天津市
河北省
山西省
内蒙古
辽宁省
吉林省
黑龙江省
上海市
江苏省
浙江省
安徽省
福建省
江西省
山东省
河南省
湖北省
湖南省
广东省
广西
海南省
重庆市
四川省
贵州省
云南省
西藏
陕西省
甘肃省
青海省
宁夏
新疆
新疆兵团
路演活动
科技成果
参观
人数
0
0
0
0
0
0
0
点赞
人数
0
0
0
0
0
0
0
技术领域
全部
新兴行业
|
新基建
|
电子信息
|
高端产业
|
生物医药
|
石化与新材料
|
智能机械与光机电一体化
|
节能环保
|
新能源
|
现代农业
|
高端技术服务业
|
农林牧副渔
|
城建规划
|
文化创意
|
矿山工程
|
冶金工程
|
企业管理
|
知识产权
|
智库咨询
|
旅游休闲娱乐
|
企业发展服务
|
电子商务
|
纺织
|
其他
|
更多
超细颗粒团聚剂关键技术及油烟治理应用
科学技术部火炬高技术产业开发中心技术市场与成果转化处
静脉麻醉药依托咪酯关键技术持续创新及产业化
江苏恩华药业股份有限公司
月季优新品种引进及造型技术研究
江苏省农业科学院宿迁农科所
智能纳米仿酶系统的构建及其检测食源性致病菌的研究
淮阴工学院
KASP基因分型技术在徐州地区宫颈癌易感基因筛查中的临床应用及相关性研究
徐州市妇幼保健院
下丘脑NKB神经元调控青春期多囊卵巢综合征GNRH脉冲释放的作用机制
徐州市中心医院
黄淮地区水环境重要污染物的分布特征、迁移转化规律和防控关键技术
枣庄学院
三疣梭子蟹增殖放流分子标志方法研究及其效果评价
江苏海洋大学
岩溶地下水卤代烃与硬度协同控制关键技术及示范应用
江苏建筑职业技术学院
一种钢圈喷漆设备
江苏俊超电动车配件制造有限公司
一种电动车轮毂清洗装置
江苏俊超电动车配件制造有限公司
左侧胸腔胃术后辅助放疗在食管鳞癌中的应用
盐城市第三人民医院
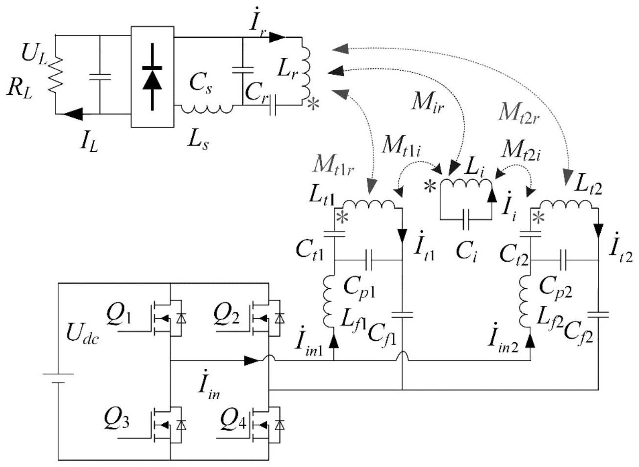
一种休闲车用低噪声电控驱动系统
徐州科亚机电有限公司
一种电动车电机减震机构
徐州铭尊机电有限公司
一种电动车驱动电机悬置装置
徐州铭尊机电有限公司
护理呼叫器
菏泽家政职业学院
一种车联网环境下的可靠边缘加速推理任务分配方法
重庆摆渡谷科技发展有限公司
一种用于电晕放电检测的无人机天线及检测方法
重庆摆渡谷科技发展有限公司
一种穿刺教学护理仪
菏泽家政职业学院
一种计算机硬件检测用外接结构
菏泽家政职业学院
首页
上一页
3150
3151
3152
3153
3154
3155
3156
下一页
尾页
共16046页 转到
页