S135高强韧性钻具用管生产技术与产品开发
南开科协
LED光电热磁相互作用机理研究及产业化技术攻关
南开科协
一种多参数可调式振动筛
东北林业大学
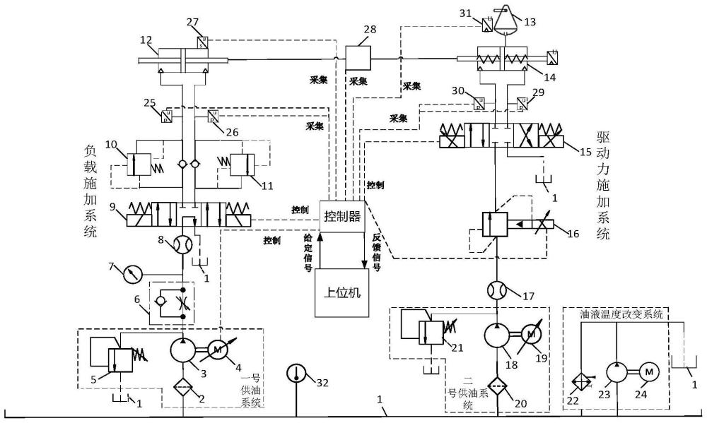
一种比例阀控缸动态特性测试可编程试验台
哈尔滨医科大学
柴油甲醇二元燃料燃烧技术
南开科协
一种利用SERE技术对氯化甲基汞进行检测的方法
哈尔滨医科大学
一种疏水有序介孔SBA-15固体酸及其制备方法和在非均相催化中应用
东北林业大学
制造业智能设计、制造、监管、物联、信息化数据分析与知识云服务平台
南开科协
基于改进的Swin-Transformer网络的高光谱图像分类方法
东北林业大学
汽车及模具产业链设计制造协同服务平台
南开科协
一种基于卷绕升降原理的利用波纹片弹性形变进行自主避障与主动采摘的升降装置
哈尔滨医科大学
一种基于激光投影的桥梁挠度测量系统及测量方法
哈尔滨医科大学
一种基于个性化联邦学习的故障诊断模型优化方法
哈尔滨医科大学
一种高性能P型离子热电材料、热电电池及其制备方法与应用
哈尔滨医科大学
一种高性能N型离子热电材料、热电电池及其制备方法与应用
哈尔滨医科大学
一种马赛替尼的合成方法
哈尔滨医科大学
一种堆石混凝土堆叠结构以及堆石混凝土坝体
遵义市水利水电勘测设计研究院有限责任公司
一种堆石混凝土坝河床段垫层结构及施工方法
遵义市水利水电勘测设计研究院有限责任公司
铀转化物料自动投料总成应用方法
南华大学
电力驱动车辆电池功率补偿装置
南华大学
共15997页 转到