一种土壤双碳气体及TOVC气体检测装置
哈尔滨医科大学
耐热高性能铝合金新材料及 TiCB 纳米晶种合金
山东化学化工学会
新型抗肿瘤药物 18β-甘草次酸衍生物 HMA-10和 AH-2
沈阳药科大学
一种医疗垃圾袋辅助打包装置
温州大学
利用L-乳酸合成S-1,2-丙二醇的重组大肠杆菌A的制备 方法
普立思生物科技有限公司
一种去除土壤样品中根系的装置
东北林业大学
可溶性环氧化物水解酶抑制剂 ZH-A-030
沈阳药科大学
一种模块化多电平变换器桥臂启动预充电控制方法
东北林业大学
基于车载摄像头的车辆越车道线识别方法及系统
东北林业大学
基于均流偏差期望矩阵1范数的并联供电系统均流性能评价方法
温州大学
含有聚乳酸链段的废弃物制备乳酸酯的 方法
普立思生物科技有限公司
一种用电泳柔板显示器使机器人脸部表情变化的 技术
嘉兴市老科技工作者协会
ATR抑制剂抗肿瘤药物 ATR-149
沈阳药科大学
新一代便携式现场应急监测气相色谱-质谱联用仪
武进区科技成果转移中心
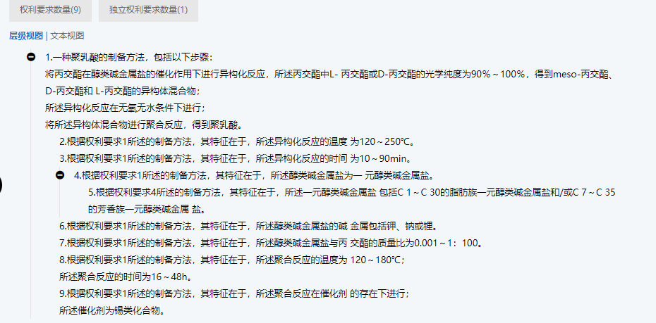
低光学纯度高分子量聚乳酸的制备方法
普立思生物科技有限公司
磁悬浮高速电机
武进区科技成果转移中心
高通量自动化显微生物扫描系统
武进区科技成果转移中心
农作物秸秆综合利用成套工艺与设备
天津科技大学
噁唑烷酮类抗耐药菌感染药物 C002
沈阳药科大学
智能车间数据采集与分析平台
武进区科技成果转移中心
共15998页 转到