科创中国
问题分诊室
具身智能与智慧医疗融合创新产业
高性能装备制造产业
智能机器人全产业链产业
中医药产业
人工智能产业
新一代信息技术产业
作物产业
量子科技与先进制造产业
海洋装备产业
煤炭开采及煤化工产业
特殊钢产业
节能环保产业
低空经济产业
光电产业
汽车产业
新能源产业
新材料产业
“以竹代塑”
成果发布厅
新型电力系统
化学领域
现代纺织
低空经济
信息通信
智慧公路
煤炭开采及煤化工
中医药
智能机器人全产业链
海洋装备
新一代信息技术
量子科技与先进制造
人工智能
高性能装备制造
具身智能与智慧医疗融合创新
作物
科创地方
科创北京
科创天津
科创内蒙古
科创辽宁
科创江苏
科创广西
科创广东
科创重庆
科创宁夏
科创河北
科创山东
科创河南
科创福建
科创湖南
科创黑龙江
科创湖北
科创浙江
科创山西
科创资讯
科创头条
科协活动
通知公告
科技政策
技术经理人
科技服务团
资源中心
项目库
问题库
案例库
开源库
学术资源
会议展览
品牌栏目
院士开讲
解码新质生产力
金融服务云课堂
企创云课堂
有问题想咨询
有成果想转化
我的交易
我的会议
我报名的路演会议
我的资讯
我的消息
我的动态
我的需求
我的成果
我的
个人资料编辑
退出登录
登录/注册
科创中国
需求发布
成果发布
科创案例库
揭榜挂帅
技术经理人
会议展览
科创联合体
科技服务团
科创资讯
科技政策
院士开讲
学术资源
城市站点
协作站点
搜索
问题库
项目库
开源库
English
我的交易
我的会议
我报名的路演会议
我的资讯
我的消息
我的动态
我的需求
我的成果
我的
个人资料编辑
退出登录
登录/注册
组织入驻
隐藏工作区
全国
在线展厅
切换展厅
全国
北京市
天津市
河北省
山西省
内蒙古
辽宁省
吉林省
黑龙江省
上海市
江苏省
浙江省
安徽省
福建省
江西省
山东省
河南省
湖北省
湖南省
广东省
广西
海南省
重庆市
四川省
贵州省
云南省
西藏
陕西省
甘肃省
青海省
宁夏
新疆
新疆兵团
路演活动
科技成果
参观
人数
0
0
0
0
0
0
0
点赞
人数
0
0
0
0
0
0
0
技术领域
全部
新兴行业
|
新基建
|
电子信息
|
高端产业
|
生物医药
|
石化与新材料
|
智能机械与光机电一体化
|
节能环保
|
新能源
|
现代农业
|
高端技术服务业
|
农林牧副渔
|
城建规划
|
文化创意
|
矿山工程
|
冶金工程
|
企业管理
|
知识产权
|
智库咨询
|
旅游休闲娱乐
|
企业发展服务
|
电子商务
|
纺织
|
其他
|
更多
创新跳伞塔
伞动航空科技(深圳)有限公司
结合里所码与轨道角动量的水下相干叠加键控方法和系统
温州大学
聚能磁高功率密度驱动系统
深圳小象电动科技有限公司
医疗级全植入式无线脑机接口系统
深圳微灵医疗科技有限公司
用于心血管修复再生的一氧化氮生物材料
南开大学
一种混合式惯导与卫星组合的导航系统
深圳市天陆海导航设备技术有限责任公司
基于个体化无创神经调控技术的数字诊疗平台
科悦医疗(苏州)有限公司
基于机器人与大数据的智能医疗康养体系
深圳市迈步机器人科技有限公司
新型抑菌促骨结合牙种植体
博慧(浙江)生物技术有限责任公司
一种光学指纹认证的加密与解密方法、装置及系统
博士创新(深圳)科技服务有限公司
一种基于多分辨率神经网络的目标跟踪方法及系统
博士创新(深圳)科技服务有限公司
智能手机点胶组装线体
深圳市桃子自动化科技有限公司
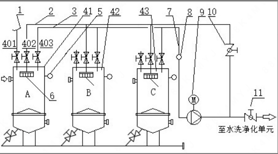
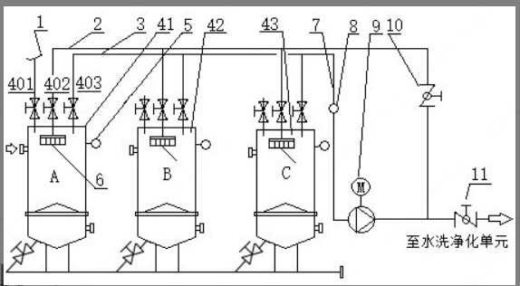
一种石灰粉制球返炉系统粘结剂分散装置
新疆天业(集团)有限公司
一种电石炉净化系统旋式除尘装置
新疆天业(集团)有限公司
一种电石炉净化系统粉尘测量装置
新疆天业(集团)有限公司
一种干旱区果树间作的涌泉灌与滴灌共用灌溉系统
新疆天业(集团)有限公司
一种抽屉锁结构
博洛尼家居用品湖北有限公司
一种带折叠鞋凳的鞋柜结构
博洛尼家居用品湖北有限公司
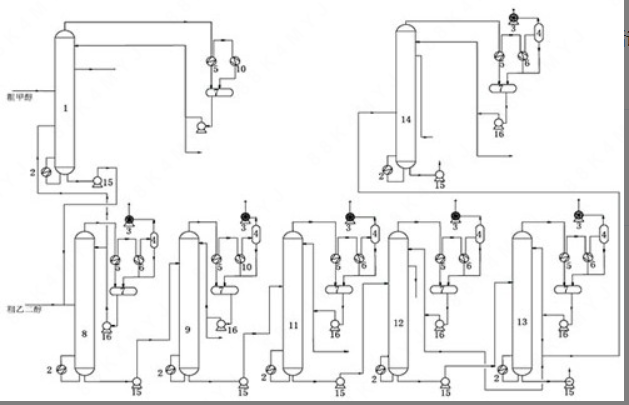
一种生产聚酯级乙二醇过程中的精馏装置
新疆天业(集团)有限公司
一种可自动定位锁止的滑移式门吊轨门
博洛尼家居用品湖北有限公司
首页
上一页
2913
2914
2915
2916
2917
2918
2919
下一页
尾页
共16004页 转到
页