一种激光光刻银浆
宁波市科技创新协会
现场探伤射线检测防护技术
科学技术部火炬高技术产业开发中心技术市场与成果转化处
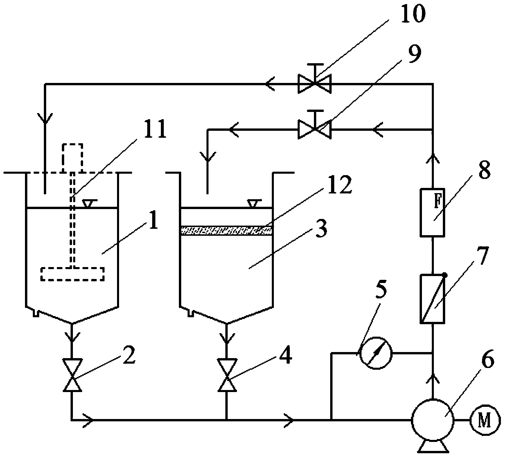
一种适用于测试污水泵抗堵塞性试验装置及实验方法
常州大学
一种软开关逆变式点焊机
宁波市科技创新协会
成果转化项目跟踪-《富硒青裸保健酒合作框架协议》
西藏自治区农牧科学院农产品开发与食品科学研究所
基于大数据自动配比技术的LED封装自动化管理系统
深圳市智华信息技术有限公司
mRNA-STR 联检试剂盒
宁波市科技创新协会
5G MEC
深圳市长天长空智能设备科技有限公司
幻影魔镜
宁波市科技创新协会
新一代无创高敏癌症早筛技术
深圳命码生物检测有限公司
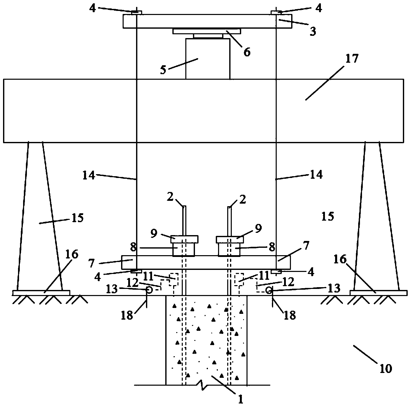
一种预制方桩抗拔承载力检测的简易装置
常州大学
前瞻超高功率LED车灯光源模組之无机封装技术
深圳市明潮科技有限公司
帕金森病运动症状评估方法
华中科技大学
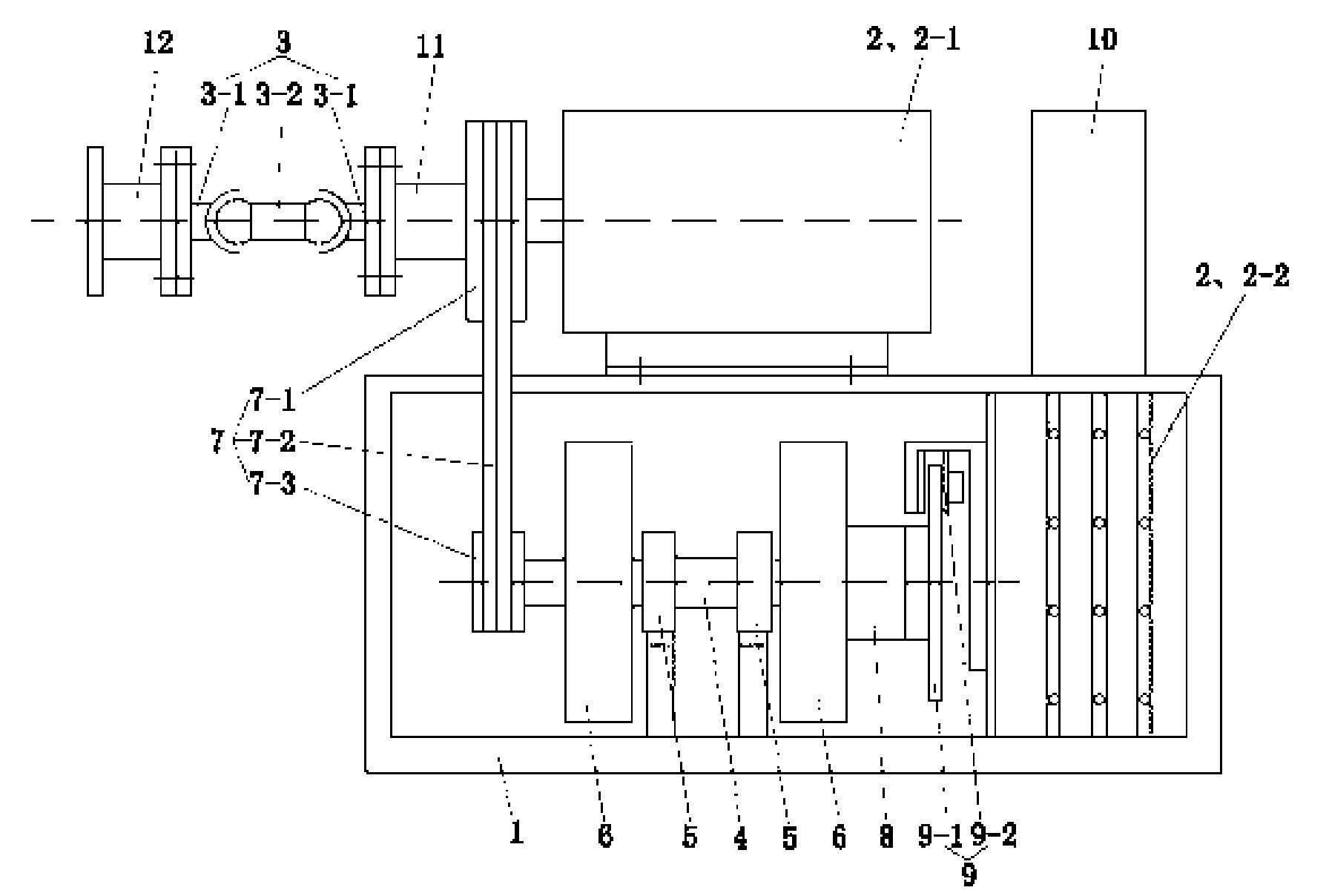
汽车自动变速箱检测用负载机
常州大学
地舒单抗在制备治疗膝关节骨性关节炎的 药物中的应用
华中科技大学
亚氧化钛导电陶瓷技术在垃圾渗滤液污水处理应用
深圳市大净环保科技有限公司
一种航空航天用数据传输电缆及其使用方法
中国民用航空飞行学院
基于背景建模和细节增强的低照度图像增强方法
中国民用航空飞行学院
臂戴式辅助维修终端二代
西安希德电子信息技术股份有限公司
SF6 红外检漏仪
山东大学技术转移中心
共16004页 转到