科创中国
问题分诊室
具身智能与智慧医疗融合创新产业
高性能装备制造产业
智能机器人全产业链产业
中医药产业
人工智能产业
新一代信息技术产业
作物产业
量子科技与先进制造产业
海洋装备产业
煤炭开采及煤化工产业
特殊钢产业
节能环保产业
低空经济产业
光电产业
汽车产业
新能源产业
新材料产业
“以竹代塑”
成果发布厅
新型电力系统
化学领域
现代纺织
低空经济
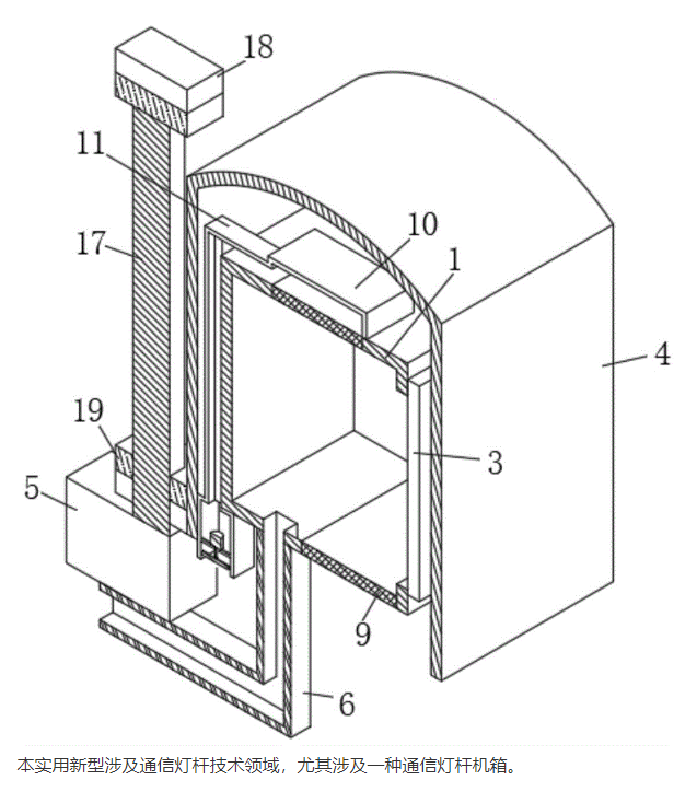
信息通信
智慧公路
煤炭开采及煤化工
中医药
智能机器人全产业链
海洋装备
新一代信息技术
量子科技与先进制造
人工智能
高性能装备制造
具身智能与智慧医疗融合创新
作物
科创地方
科创北京
科创天津
科创内蒙古
科创辽宁
科创河北
科创湖南
科创宁夏
科创广东
科创江苏
科创广西
科创重庆
科创山东
科创河南
科创福建
科创黑龙江
科创湖北
科创浙江
科创山西
科创资讯
科创头条
科协活动
通知公告
科技政策
技术经理人
科技服务团
资源中心
项目库
问题库
案例库
开源库
会议展览
品牌栏目
院士开讲
解码新质生产力
金融服务云课堂
企创云课堂
有问题想咨询
有成果想转化
我的交易
我的会议
我报名的路演会议
我的资讯
我的消息
我的动态
我的需求
我的成果
我的
个人资料编辑
退出登录
登录/注册
科创中国
需求发布
成果发布
科创案例库
揭榜挂帅
技术经理人
会议展览
科创联合体
科技服务团
科创资讯
科技政策
院士开讲
学术资源
城市站点
协作站点
搜索
问题库
项目库
开源库
English
我的交易
我的会议
我报名的路演会议
我的资讯
我的消息
我的动态
我的需求
我的成果
我的
个人资料编辑
退出登录
登录/注册
组织入驻
隐藏工作区
全国
在线展厅
切换展厅
全国
北京市
天津市
河北省
山西省
内蒙古
辽宁省
吉林省
黑龙江省
上海市
江苏省
浙江省
安徽省
福建省
江西省
山东省
河南省
湖北省
湖南省
广东省
广西
海南省
重庆市
四川省
贵州省
云南省
西藏
陕西省
甘肃省
青海省
宁夏
新疆
新疆兵团
路演活动
科技成果
参观
人数
0
0
0
0
0
0
0
点赞
人数
0
0
0
0
0
0
0
技术领域
全部
新兴行业
|
新基建
|
电子信息
|
高端产业
|
生物医药
|
石化与新材料
|
智能机械与光机电一体化
|
节能环保
|
新能源
|
现代农业
|
高端技术服务业
|
农林牧副渔
|
城建规划
|
文化创意
|
矿山工程
|
冶金工程
|
企业管理
|
知识产权
|
智库咨询
|
旅游休闲娱乐
|
企业发展服务
|
电子商务
|
纺织
|
其他
|
更多
柔性及可拉伸导电材料
宁波市科技创新协会
锝[99mTc]GYQ-2肽—胰腺癌放射性显像剂
宁波市科技创新协会
一种可重构空间闭链腿机构六足平台
北京交通大学
一种可折叠变形履带车
北京交通大学
ADHD儿童用药辅助工具系统
天津工业大学科技成果转化中心
设施菜田水肥高效增产、污染综合控制与土壤质量提升技术集成与应用
天津农学院科技成果转化与技术转移服务中心
黑水虻高效处理畜禽粪便的关键技术及产品研发应用
天津农学院科技成果转化与技术转移服务中心
高蛋白昆虫高效养殖技术的集成示范与推广
天津农学院科技成果转化与技术转移服务中心
西北特色梨贮运保鲜特性及技术集成研究
天津农学院科技成果转化与技术转移服务中心
高功率高密度钠离子电池的研发与产业
天津工业大学科技成果转化中心
高强高吸湿凝胶纤维的产业化
张青松
一种用自适应控制学习改进生成对抗网络方法
天津工业大学科技成果转化中心
高比能超级电容器产业化
天津工业大学科技成果转化中心
面向海水资源提取的一二价离子高效分离点纳滤技术
天津工业大学科技成果转化中心
基于BNIPS技术的精密分离膜技术
天津工业大学科技成果转化中心
年产1000吨超级电容器专用活性炭产业化项目
天津工业大学科技成果转化中心
螺栓预紧力测量仪
天津工业大学科技成果转化中心
多级孔保温高吸附气凝胶
张青松
钠离子电池低成本硬炭负极材料及产业化
天津工业大学科技成果转化中心
高精度碳排放激光检测仪
天津工业大学科技成果转化中心 信用度:机构标识:
首页
上一页
2727
2728
2729
2730
2731
2732
2733
下一页
尾页
共16046页 转到
页