科创中国
问题分诊室
具身智能与智慧医疗融合创新产业
高性能装备制造产业
智能机器人全产业链产业
中医药产业
人工智能产业
新一代信息技术产业
作物产业
量子科技与先进制造产业
海洋装备产业
煤炭开采及煤化工产业
特殊钢产业
节能环保产业
低空经济产业
光电产业
汽车产业
新能源产业
新材料产业
“以竹代塑”
成果发布厅
新型电力系统
化学领域
现代纺织
低空经济
信息通信
智慧公路
煤炭开采及煤化工
中医药
智能机器人全产业链
海洋装备
新一代信息技术
量子科技与先进制造
人工智能
高性能装备制造
具身智能与智慧医疗融合创新
作物
科创地方
科创北京
科创天津
科创内蒙古
科创辽宁
科创河北
科创湖南
科创宁夏
科创广东
科创江苏
科创广西
科创重庆
科创山东
科创河南
科创福建
科创黑龙江
科创湖北
科创浙江
科创山西
科创资讯
科创头条
科协活动
通知公告
科技政策
技术经理人
科技服务团
资源中心
项目库
问题库
案例库
开源库
会议展览
品牌栏目
院士开讲
解码新质生产力
金融服务云课堂
企创云课堂
有问题想咨询
有成果想转化
我的交易
我的会议
我报名的路演会议
我的资讯
我的消息
我的动态
我的需求
我的成果
我的
个人资料编辑
退出登录
登录/注册
科创中国
需求发布
成果发布
科创案例库
揭榜挂帅
技术经理人
会议展览
科创联合体
科技服务团
科创资讯
科技政策
院士开讲
学术资源
城市站点
协作站点
搜索
问题库
项目库
开源库
English
我的交易
我的会议
我报名的路演会议
我的资讯
我的消息
我的动态
我的需求
我的成果
我的
个人资料编辑
退出登录
登录/注册
组织入驻
隐藏工作区
全国
在线展厅
切换展厅
全国
北京市
天津市
河北省
山西省
内蒙古
辽宁省
吉林省
黑龙江省
上海市
江苏省
浙江省
安徽省
福建省
江西省
山东省
河南省
湖北省
湖南省
广东省
广西
海南省
重庆市
四川省
贵州省
云南省
西藏
陕西省
甘肃省
青海省
宁夏
新疆
新疆兵团
路演活动
科技成果
参观
人数
0
0
0
0
0
0
0
点赞
人数
0
0
0
0
0
0
0
技术领域
全部
新兴行业
|
新基建
|
电子信息
|
高端产业
|
生物医药
|
石化与新材料
|
智能机械与光机电一体化
|
节能环保
|
新能源
|
现代农业
|
高端技术服务业
|
农林牧副渔
|
城建规划
|
文化创意
|
矿山工程
|
冶金工程
|
企业管理
|
知识产权
|
智库咨询
|
旅游休闲娱乐
|
企业发展服务
|
电子商务
|
纺织
|
其他
|
更多
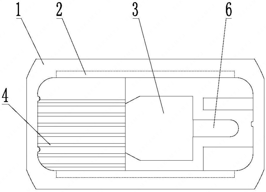
一种型材机箱
防灾科技学院
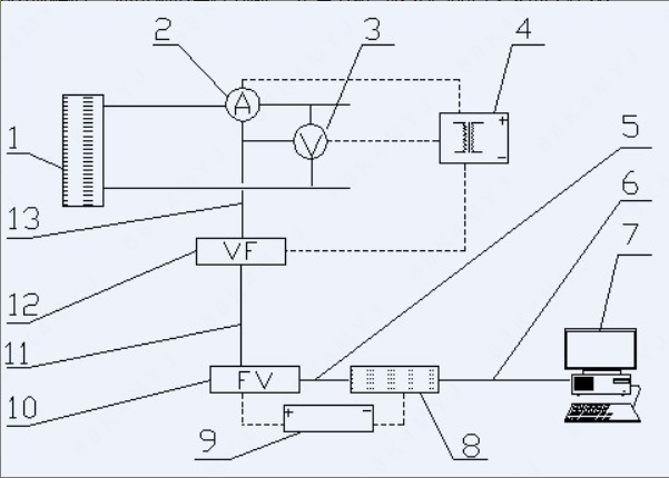
基于多频率调制尺度拆分与重构的编码器瞬时角速度估计方法及系统
重庆摆渡谷科技发展有限公司
用于无线充电的耦合机构散热性能评价方法
重庆摆渡谷科技发展有限公司
一种用铁尾矿和加气混凝土废料制备泡沫混凝土的方法
河北工程大学
一种岩土试验检测取土装置及使用方法
重庆摆渡谷科技发展有限公司
原副边多模块MC-WPT系统的功率控制及效率匹配方法
重庆摆渡谷科技发展有限公司
一种多功能中分尺
防灾科技学院
多中继无线电能传输自解耦耦合机构及其参数设计方法
重庆摆渡谷科技发展有限公司
一种苦瓜离体再生的培养基及培养方法
温州科技大市场
一种丙烯酸酯连续精确滴加控制装置
新疆天业(集团)有限公司
一种用于降解连作土壤中酚酸物质的方法
河北工程大学
一种提高热效的盐酸解析系统
新疆天业(集团)有限公司
一种耐高温负压除尘装置
新疆天业(集团)有限公司
一种混合动力汽车能量管理的两阶段双模型预测控制方法
湖南大学
一种工业柱塞阀专用装卸配套装置
新疆天业(集团)有限公司
一种乙炔气除尘系统
新疆天业(集团)有限公司
用于检测人脸部分及人脸的设备和方法
北京市商汤科技开发有限公司
一种作业地图更新方法
北京智行者科技股份有限公司
一种用于合成5-羟甲基糠醛的ZSM-5/MOR复合沸石单块及其制备
常州大学
具有保温除臭防滑功能的畜牧减震垫及其制作流程
温州科技大市场
首页
上一页
2607
2608
2609
2610
2611
2612
2613
下一页
尾页
共16046页 转到
页