科创中国
问题分诊室
具身智能与智慧医疗融合创新产业
高性能装备制造产业
智能机器人全产业链产业
中医药产业
人工智能产业
新一代信息技术产业
作物产业
量子科技与先进制造产业
海洋装备产业
煤炭开采及煤化工产业
特殊钢产业
节能环保产业
低空经济产业
光电产业
汽车产业
新能源产业
新材料产业
“以竹代塑”
成果发布厅
新型电力系统
化学领域
现代纺织
低空经济
信息通信
智慧公路
煤炭开采及煤化工
中医药
智能机器人全产业链
海洋装备
新一代信息技术
量子科技与先进制造
人工智能
高性能装备制造
具身智能与智慧医疗融合创新
作物
科创地方
科创北京
科创天津
科创内蒙古
科创辽宁
科创河北
科创湖南
科创宁夏
科创广东
科创江苏
科创广西
科创重庆
科创山东
科创河南
科创福建
科创黑龙江
科创湖北
科创浙江
科创山西
科创资讯
科创头条
科协活动
通知公告
科技政策
技术经理人
科技服务团
资源中心
项目库
问题库
案例库
开源库
会议展览
品牌栏目
院士开讲
解码新质生产力
金融服务云课堂
企创云课堂
有问题想咨询
有成果想转化
我的交易
我的会议
我报名的路演会议
我的资讯
我的消息
我的动态
我的需求
我的成果
我的
个人资料编辑
退出登录
登录/注册
科创中国
需求发布
成果发布
科创案例库
揭榜挂帅
技术经理人
会议展览
科创联合体
科技服务团
科创资讯
科技政策
院士开讲
学术资源
城市站点
协作站点
搜索
问题库
项目库
开源库
English
我的交易
我的会议
我报名的路演会议
我的资讯
我的消息
我的动态
我的需求
我的成果
我的
个人资料编辑
退出登录
登录/注册
组织入驻
隐藏工作区
全国
在线展厅
切换展厅
全国
北京市
天津市
河北省
山西省
内蒙古
辽宁省
吉林省
黑龙江省
上海市
江苏省
浙江省
安徽省
福建省
江西省
山东省
河南省
湖北省
湖南省
广东省
广西
海南省
重庆市
四川省
贵州省
云南省
西藏
陕西省
甘肃省
青海省
宁夏
新疆
新疆兵团
路演活动
科技成果
参观
人数
0
0
0
0
0
0
0
点赞
人数
0
0
0
0
0
0
0
技术领域
全部
新兴行业
|
新基建
|
电子信息
|
高端产业
|
生物医药
|
石化与新材料
|
智能机械与光机电一体化
|
节能环保
|
新能源
|
现代农业
|
高端技术服务业
|
农林牧副渔
|
城建规划
|
文化创意
|
矿山工程
|
冶金工程
|
企业管理
|
知识产权
|
智库咨询
|
旅游休闲娱乐
|
企业发展服务
|
电子商务
|
纺织
|
其他
|
更多
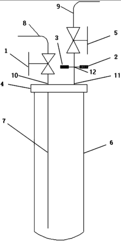
一种适用于强水敏岩心CO2驱替实验物理模拟装置
东北石油大学
井口集输管线自适应除砂洗砂装置
东北石油大学
一种地质开采取样装置
东北石油大学
基于MPA-VMD去噪的管道泄漏检测方法及系统
东北石油大学
一种往复机构的滑动轴承间隙故障模拟实验装置
东北石油大学
化石基与农林废弃物耦合耐候性绿色板材
宁波禾隆新材料股份有限公司
一种健美操肢体训练动作纠正装置
东北石油大学
基于自混合干涉和微纳光纤的人体多参量监测装置
东北石油大学
俘能隔振器以及应用其的旋挖钻机钻杆系统
东北石油大学
柔性管收放装置以及应用其的移动承载平台
东北石油大学
应用于含酸化返排液原油的电脱水装置
东北石油大学
一种基于降阶模型的管道泄漏检测方法
东北石油大学
一种基于随机森林的激光自混合干涉微振动测量方法及系统
东北石油大学
一种具有自清洁功能、可控润湿性乳液分离膜的制备方法及应用
东北石油大学
一种确定地下断层空间分段性的定量表征方法
东北石油大学
一种基于VMD和多特征融合的管道信号识别方法及系统
东北石油大学
一种适用于石油地质勘探的石油取样装置
东北石油大学
岩性油气藏盖层完整性定量评价方法
东北石油大学
基于T2谱分析的砂岩注水采油剩余油分布测定方法
东北石油大学
一种Al3Ti颗粒增强2618铝合金复合材料的制备方法
常州大学
首页
上一页
2439
2440
2441
2442
2443
2444
2445
下一页
尾页
共16046页 转到
页