安全性高的伸缩机
安徽兴能自动化设备有限责任公司
风电场一次调频系统
北京东润环能科技股份有限公司
一种NFC手机电子锁门禁装置系统
苏州大学
新型可降解促愈合的口内粘膜伤口敷料羧甲基纤维素钠基
宁波市涂料与涂装行业协会
真菌比较基因组分析系统
中国农业科学院蔬菜花卉研究所
带有触摸屏的控制柜
安徽兴能自动化设备有限责任公司
一种织物拒水拒油整理剂及其制备方法
苏州大学
西红柿打叉掐尖技术要点
大黄集镇政府
带有相序检测报警功能的伸缩机
安徽兴能自动化设备有限责任公司
四轴无人机的控制方法
苏州大学
樱桃根际微生物鉴定系统
中国农业科学院蔬菜花卉研究所
便于运输的爬坡机
安徽兴能自动化设备有限责任公司
蚕豆栽培管理技术
大黄集镇政府
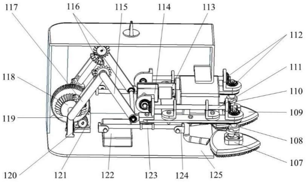
科考站内移动作业机器人系统检测技术
黑龙江省爱格机械产品检测有限公司
定期自行检测报警的伸缩机
安徽兴能自动化设备有限责任公司
风电超短期功率预测方法及相关设备
北京东润环能科技股份有限公司
空运行超时自动停运伸缩机
安徽兴能自动化设备有限责任公司
茄子中棚覆盖栽培的技术要点
大黄集镇政府
一种超临界流体无水染色机的增压系统
苏州大学
能够提高使用寿命的伸缩机
安徽兴能自动化设备有限责任公司
共16046页 转到