一种高压下相变状态检测装置
余姚市机器人与智能装备学会
YBIOO精密数控卧式滚齿机
宁波永博机械制造有限公司
重金属离子的快速检测
上海市纳米科技与产业发展促进中心
一种多功能有机肥料分级筛选装置
浙江中意启迪科技城建设投资有限公司
《铸造工程技术人员能力评价通用规范》团体标准
中国机械工程学会
一种高效回收废水的水射流清洗盘装置
余姚市机器人与智能装备学会
光源制备大面积石墨烯纸
宁波环杭州智能产业创新服务中心有限公司
浙江省余姚市中意宁波生态园兴滨路28号
浙江中意启迪科技城建设投资有限公司
一种刚柔耦合的线驱动康复助力手套
余姚市机器人与智能装备学会
一种复合材料的环状波模态换能器
宁波环杭州智能产业创新服务中心有限公司
高纯氧化铈抛光液
上海市纳米科技与产业发展促进中心
一种路面标线用环保型出料控制机构
浙江中意启迪科技城建设投资有限公司
一种辅助拍摄化学仪器的放置架
余姚市机器人与智能装备学会
一种可穿戴式生物传感器
宁波环杭州智能产业创新服务中心有限公司
脑出血患者输液有讲究
菏泽市定陶区中医医院
一种服药提醒装置及方法
余姚市机器人与智能装备学会
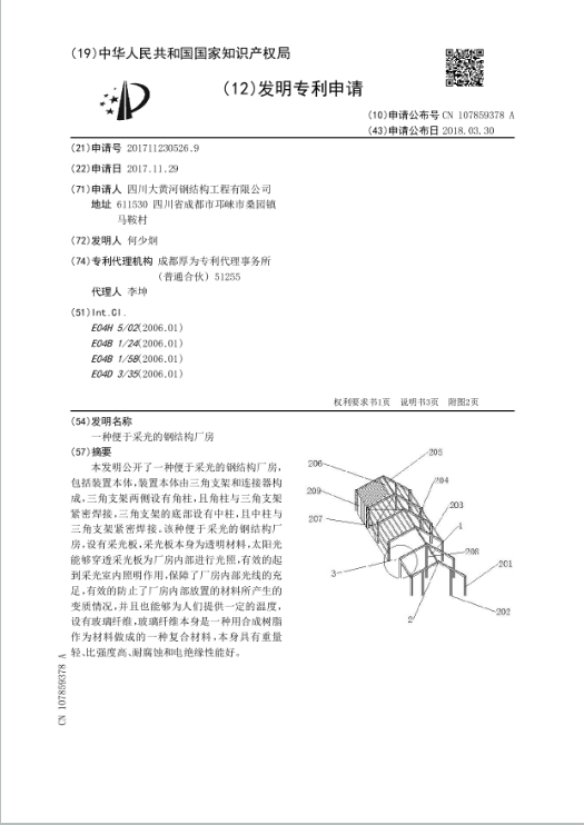
一种便于采光的钢结构厂房
浙江中意启迪科技城建设投资有限公司
纳米粉表面修饰改性应用研究
宁波环杭州智能产业创新服务中心有限公司
一种非结构化封闭环境中多车协同路径规划方法
余姚市机器人与智能装备学会
汽车烤漆房专用— 石墨烯面状红外热转换器
宁波宣伯环保科技有限公司
共15997页 转到