科创中国
问题分诊室
具身智能与智慧医疗融合创新产业
高性能装备制造产业
智能机器人全产业链产业
中医药产业
人工智能产业
新一代信息技术产业
作物产业
量子科技与先进制造产业
海洋装备产业
煤炭开采及煤化工产业
特殊钢产业
节能环保产业
低空经济产业
光电产业
汽车产业
新能源产业
新材料产业
“以竹代塑”
成果发布厅
新型电力系统
化学领域
现代纺织
低空经济
信息通信
智慧公路
煤炭开采及煤化工
中医药
智能机器人全产业链
海洋装备
新一代信息技术
量子科技与先进制造
人工智能
高性能装备制造
具身智能与智慧医疗融合创新
作物
科创地方
科创北京
科创天津
科创内蒙古
科创辽宁
科创江苏
科创广西
科创广东
科创重庆
科创宁夏
科创河北
科创山东
科创河南
科创福建
科创湖南
科创黑龙江
科创湖北
科创浙江
科创山西
科创资讯
科创头条
科协活动
通知公告
科技政策
技术经理人
科技服务团
资源中心
项目库
问题库
案例库
开源库
学术资源
会议展览
品牌栏目
院士开讲
解码新质生产力
金融服务云课堂
企创云课堂
有问题想咨询
有成果想转化
我的交易
我的会议
我报名的路演会议
我的资讯
我的消息
我的动态
我的需求
我的成果
我的
个人资料编辑
退出登录
登录/注册
科创中国
需求发布
成果发布
科创案例库
揭榜挂帅
技术经理人
会议展览
科创联合体
科技服务团
科创资讯
科技政策
院士开讲
学术资源
城市站点
协作站点
搜索
问题库
项目库
开源库
English
我的交易
我的会议
我报名的路演会议
我的资讯
我的消息
我的动态
我的需求
我的成果
我的
个人资料编辑
退出登录
登录/注册
组织入驻
隐藏工作区
全国
在线展厅
切换展厅
全国
北京市
天津市
河北省
山西省
内蒙古
辽宁省
吉林省
黑龙江省
上海市
江苏省
浙江省
安徽省
福建省
江西省
山东省
河南省
湖北省
湖南省
广东省
广西
海南省
重庆市
四川省
贵州省
云南省
西藏
陕西省
甘肃省
青海省
宁夏
新疆
新疆兵团
路演活动
科技成果
参观
人数
0
0
0
0
0
0
0
点赞
人数
0
0
0
0
0
0
0
技术领域
全部
新兴行业
|
新基建
|
电子信息
|
高端产业
|
生物医药
|
石化与新材料
|
智能机械与光机电一体化
|
节能环保
|
新能源
|
现代农业
|
高端技术服务业
|
农林牧副渔
|
城建规划
|
文化创意
|
矿山工程
|
冶金工程
|
企业管理
|
知识产权
|
智库咨询
|
旅游休闲娱乐
|
企业发展服务
|
电子商务
|
纺织
|
其他
|
更多
岩心驱替试验装置和方法
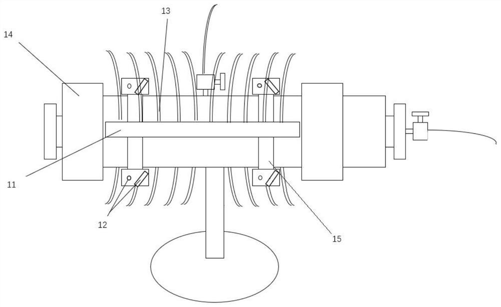
东北石油大学
电力作业安全体感实训系统
宁波益加科创服务有限公司
一种悬空纳米线测试样品及其制备方法
中国科学院深圳先进技术研究院
多气缸全贴合装置及方法
宁波维真显示科技股份有限公司
触摸屏与液晶显示屏的分块全贴合装置及方法
宁波维真显示科技股份有限公司
竹材定向刨花板连续化生产及应用关键技术
国际竹藤中心
一种地质矿产勘查野外岩石样本取样装置
东北石油大学
一种金刚石/金属复合材料及其制备方法和应用
中国科学院深圳先进技术研究院
铝合金钴盐绿色转化体系的构建与废液的再循环利用
宁波益加科创服务有限公司
一种2D/3D相互切换的显示方法
宁波维真显示科技股份有限公司
一种制备环状聚合物的方法及装置
苏州大学
光栅对位贴合方法
宁波维真显示科技股份有限公司
一种多模态图像分割方法
中国科学院深圳先进技术研究院
荧光法测水中溶解氧的氧敏感膜的制备技术
宁波益加科创服务有限公司
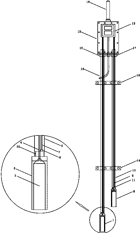
一种道路施工用测量装置
黑龙江大学
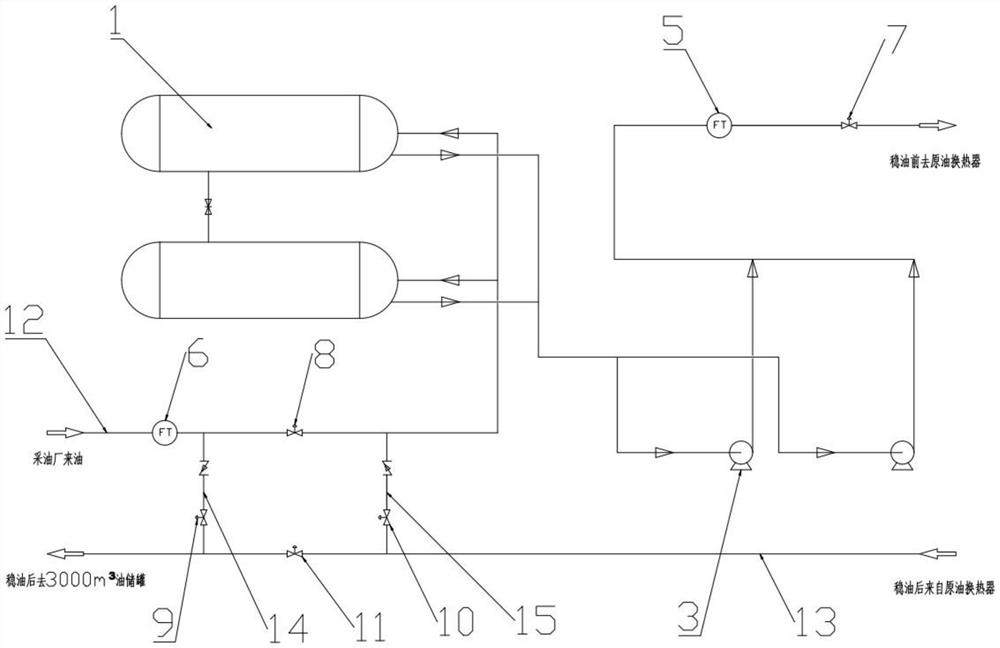
非接触型钻井液参数测量装置以及方法
东北石油大学
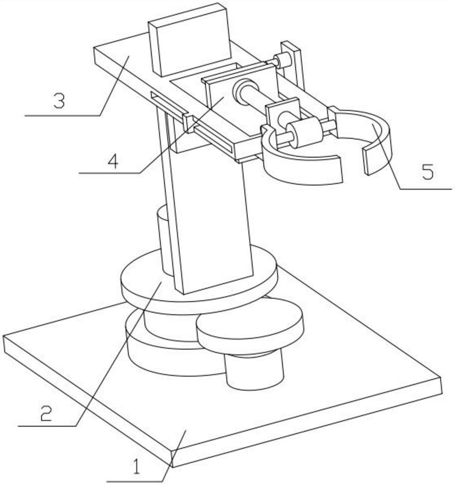
一种多自由度机械手
黑龙江大学
一种液晶屏全贴合方法和显示装置
宁波维真显示科技股份有限公司
基于青稞蛋白交联改性的面条专用粉品质改良机理研究
青海华实青稞生物科技开发有限公司
一种用于水平井的橡胶可膨胀式套管扶正器
东北石油大学
首页
上一页
2085
2086
2087
2088
2089
2090
2091
下一页
尾页
共15998页 转到
页