中职学校差异化教学模式探索...东明县职业中等专业学校为例_李东魁
东明县心理健康学会
小学“红色文化课程”的开发...泽市东明县第三实验小学为例_王付胜
东明县心理健康学会
小学“太极拳文化课程”的开...—以东明县第二实验小学为例_王付胜
东明县心理健康学会
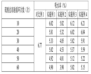
采用硫酸盐侵蚀-冻融循环提升再生粗骨料质量的方法
西安理工大学
基于光学相干断层扫描OCTA技术的眼科智能设备和平台
广东唯仁医疗科技有限公司
凯洋粉末冶金
广东凯洋新材料有限公司
辽峰葡萄高效栽培架式与水分调控技术
辽宁省果树科学研究所
基于三次平衡原理的水资源优化配置研究
东明县心理健康学会
积极心理学在学生心理危机干预中的应用研究
东明县心理健康学会
高速公路沥青路面裂缝检测方法以及处治措施研究
东明县心理健康学会
东明县夏黑葡萄无公害栽培与病虫害防治_缪建华
东明县心理健康学会
新型储能能量管理系统
浙江简捷物联科技有限公司
东明县桃树常见虫害及防治_王静华
东明县心理健康学会
大数据时代医院档案管理创新思考
东明县心理健康学会
东明县实施一村一品发展特色农业的调查与思考_李全瑜
东明县心理健康学会
探讨东明县危险废物来源及环保管理措施_吴淑娟
东明县心理健康学会
东明县夏播花生覆膜高产栽培技术_于素英
东明县心理健康学会
石墨烯水性发热油墨
石墨烯水性发热油墨
山东东明县大蒜2+X肥料肥效试验报告_王勇杰
东明县心理健康学会
东明县现代水网规划建设探讨_周艳梅
东明县心理健康学会
共16004页 转到