科创中国
问题分诊室
具身智能与智慧医疗融合创新产业
高性能装备制造产业
智能机器人全产业链产业
中医药产业
人工智能产业
新一代信息技术产业
作物产业
量子科技与先进制造产业
海洋装备产业
煤炭开采及煤化工产业
特殊钢产业
节能环保产业
低空经济产业
光电产业
汽车产业
新能源产业
新材料产业
“以竹代塑”
成果发布厅
新型电力系统
化学领域
现代纺织
低空经济
信息通信
智慧公路
煤炭开采及煤化工
中医药
智能机器人全产业链
海洋装备
新一代信息技术
量子科技与先进制造
人工智能
高性能装备制造
具身智能与智慧医疗融合创新
作物
科创地方
科创北京
科创天津
科创内蒙古
科创辽宁
科创河北
科创湖南
科创宁夏
科创广东
科创江苏
科创广西
科创重庆
科创山东
科创河南
科创福建
科创黑龙江
科创湖北
科创浙江
科创山西
科创资讯
科创头条
科协活动
通知公告
科技政策
技术经理人
科技服务团
资源中心
项目库
问题库
案例库
开源库
学术资源
会议展览
品牌栏目
院士开讲
解码新质生产力
金融服务云课堂
企创云课堂
有问题想咨询
有成果想转化
我的交易
我的会议
我报名的路演会议
我的资讯
我的消息
我的动态
我的需求
我的成果
我的
个人资料编辑
退出登录
登录/注册
科创中国
需求发布
成果发布
科创案例库
揭榜挂帅
技术经理人
会议展览
科创联合体
科技服务团
科创资讯
科技政策
院士开讲
学术资源
城市站点
协作站点
搜索
问题库
项目库
开源库
English
我的交易
我的会议
我报名的路演会议
我的资讯
我的消息
我的动态
我的需求
我的成果
我的
个人资料编辑
退出登录
登录/注册
组织入驻
问题库
项目库
开源库
搜索
提交科技成果
行业领域
全部
全部
合作方式
全部
技术转让
技术许可
作价入股
委托开发
合作开发
技术咨询
技术服务
创业融资
股权融资
成果类型
全部
发明专利
实用新型专利
软件著作权
著作权
商标权
新品种
外观设计
新技术
一种基于传感器网络的分层式自适应空时压缩方法
徐州***公司
一种基于PCA和PSO-ELM的自动气象站实时数据质量控制方法
徐州***公司
一种基于DIC-PID的四旋翼飞行器姿态与位置的混合控制方法
徐州***公司
一种基于3D打印材料特性的高效3D打印装置
徐州***公司
一种在木材表面制得的纳米功能复合膜及其制备方法
徐州***公司
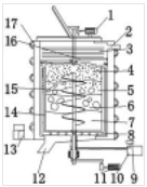
一种圆柱形物料连续式处理生产线
徐州***公司
一种园路桩基式汀步结构及施工工艺
徐州***公司
一种含氮杂环取代的吡咯衍生物的硫化方法
徐州***公司
一种吡啶酮双酸改性纤维素吸附剂的应用
徐州***公司
首页
上一页
1933
1934
1935
1936
1937
1938
1939
下一页
尾页
共
25442
个
转到
页